产品
  • 产品
Search
Product Detail

STD-W-D

Collect
  • Products

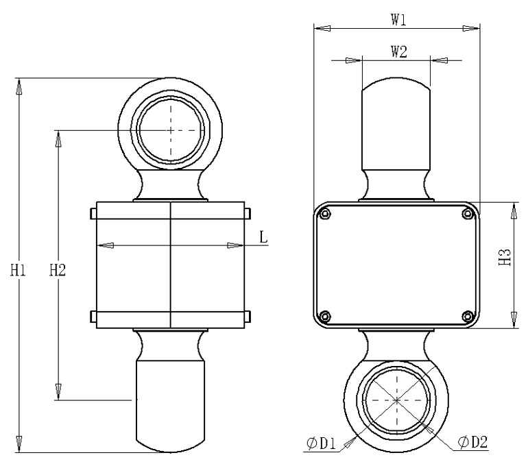
Dimension:

尺寸.jpg


Model

Capacity

Division

(kg)

Dimension(mm)

Load cell weight

Matching shackle size

H1

H2

H3

W1

W2

L

D1

D2

STD-W-D01

STD-W-D02

STD-W-D03

1T

2T

3T

0.2

0.5

1

200

150

76

100

32

80

50

27

1.5kg

G-2130-6.5T

STD-W-D05

5T

1

200

150

76

100

32

80

50

27

1.5kg

G-2130-6.5T

STD-W-D10

10T

2

226

163

76

100

41

89

63

37

2kg

G-2130-12T

STD-W-D20

20T

5

290

195

76

100

65

98

95

53

5.5kg

G-2130-25T

STD-W-D30

30T

10

340

225

76

110

71

109

115

60

9kg

G-2130-35T

STD-W-D50

50T

10

400

255

76

125

97

124

145

73

18kg

G-2130-55T

STD-W-D100

100T

20

500

320

76

170

122

144

180

100

33kg

G-2130-120T


Specifications:

Operating temperature range

-10 °C ~ +60 °C

A / D conversion speed

10~80 times / sec

Stable time

<5.0s

Relative temperature

<90% RH;

Load cell Supply Voltage

5V

Safe overload

150%FS

Destruction overload

300% FS

Display

Matching HY185 indicator for display, More models are available for   selection

Unit

Kg/Lb/Kn/T,more unit are available for selection

Battery

Standard AAA*4 / AA*3 / 3.7v/4000MA Lithium battery optional

Charger

4.2VDC/1A for 3.7v/4000MA Lithium battery

Range of   wireless

200 meters   (open field)

Radio   frequency

430~470MHz

There are   100 channels available for selection within the same area, and they do not   interfere with each other.



Ningbo Yaheng Electronic Technology Co.,Ltd


CopyRight 2013 All Right Reserved Ningbo Yaheng Electronic Technology Co.,Ltd ICP:浙ICP备11064270号


  • Telephone

Technical Support: CLOUD | Admin Login
×
seo seo